Válcové oko s ložiskem pro svařování GF 20 D0 až TS20N 10 ks
Kód: 81.34.79.020.10Detailní popis produktu
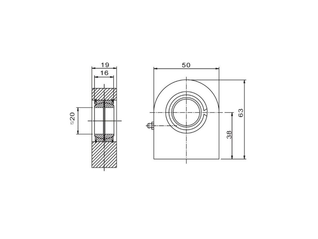
OKO PRO HYDRAULICKÝ VÁLEC 20 MM PRO SVAŘOVÁNÍ
GF 20 D0 AŽ TS20N 10 KS
Použití:
Přivařené očko na straně válcové trubky. Očko s ložiskem.
Technické údaje:
Vnitřní průměr: 20 mm.
Maznice je součástí dodávky.
Doplňkové parametry
| Kategorie: | Příslušenství |
|---|---|
| Hmotnost: | 3.35 kg |
| EAN: | 5907816109536 |
Diskuze
Buďte první, kdo napíše příspěvek k této položce.
Originální produkt značky Hydrolider.
