Spalovací motor Honda GX390 UT2QXQ4OH s čerpadlem GR1 4,70 cm3
Kód: 81.43.087.01.470Detailní popis produktu
SPALOVACÍ MOTOR HONDA GX390 S ČERPADLEM GR1
MAX KAPACITA: 16,9 L/MIN; MAXIMÁLNÍ TLAK: 260 BAR
| Výrobce dílů: | Honda |
| Aplikace: | je široce používán v hydraulických systémech ve stavebnictví, zemědělství a průmyslu. |
| Model: | GX390 UT2QXQ4OH |
| Typ motoru: | čtyřtakt, OHV horní ventil, vzduchem chlazené |
| Typ válce: | ocel |
| Typ hřídele: | horizontální |
| Průměr hřídele: | 25 mm |
| Přemístění: | 389cm3 |
| Průměr válce a zdvih: | 88 x 64 mm |
| Komprese: | 8,5:1 |
| Maximální výkon: | 8,7 kW (11,7 KM) / 3600 ot/min |
| Trvalý výkon při 3000 ot./min: | 6,4 kW (8,6 KM) |
| Trvalý výkon při 3600 ot./min: | 7,0 kW (9,4 KM) |
| Maximální točivý moment: | 26,5 Nm / 2,7 kgm / 2500 ot/min |
| Zapalování: | elektronický |
| Spuštění: | manuál |
| Kapacita palivové nádrže: | 6,1 litra |
| Spotřeba paliva: | 3,5 l/h / 3600 ot/min |
| Kapacita olejové vany: | 1,1 litra |
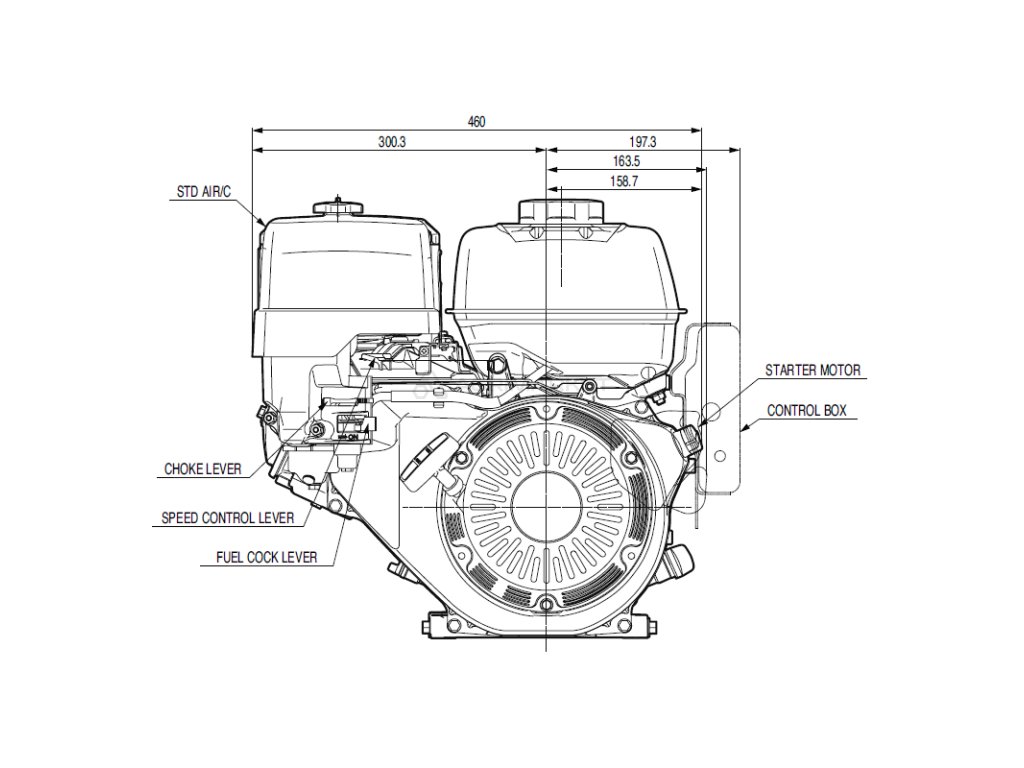
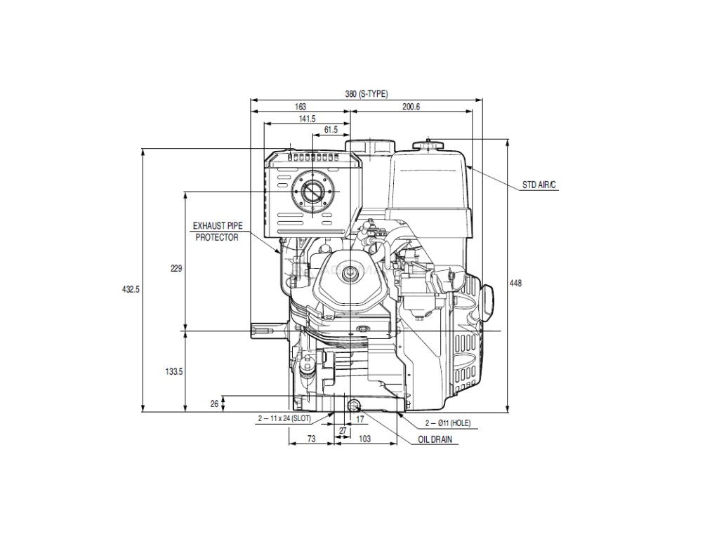
| Rozměry (D x Š x V): | 406 x 460 x 448 mm |
| Hmotnost: | 33,57 kg |
| Pracovní parametry hydraulického čerpadla: | |
| Geometrický objem: | 4,70 cm3/ot |
| Směr otáčení: | právo |
| Rozsah otáček: | 800 - 4500 (ot/min) |
| Spojení: | vnitřní závity v těle 3/8" |
| Zahrnuta: | připojení s vnějším závitem M18x1,5 |
| Doporučené parametry pro nepřetržitý provoz: |
|
| Maximální provozní parametry: | Kapacita při 3600 ot./min u spalovacího motoru: 16,9 l/min |
Doplňkové parametry
| Kategorie: | Spalovací motory |
|---|---|
| Hmotnost: | 301 kg |
| EAN: | 2000000520117 |
Diskuze
Buďte první, kdo napíše příspěvek k této položce.
