Spalovací motor Honda GX270 UT2QXQ4OH s čerpadlem GR1 7,60 cm3
Kód: 81.43.063.01.760Detailní popis produktu
SPALOVACÍ MOTOR HONDA GX270 S ČERPADLEM GR1
MAX KAPACITA: 27,4 L/MIN; MAX. TLAK: 125 BAR
| Výrobce dílů: | Honda |
| Aplikace: | je široce používán v hydraulických systémech ve stavebnictví, zemědělství a průmyslu. |
| Model: | GX270 UT2QXQ4OH |
| Typ motoru: | cčtyřtakt, OHV horní ventil, vzduchem chlazené |
| Typ válce: | ocel |
| Typ hřídele: | horizontální |
| Průměr hřídele: | 25 mm |
| Přemístění: | 270cm3 |
| Průměr válce a zdvih: | 77 x 58 mm |
| Komprese: | 8,5:1 |
| Maximální výkon: | 6,3 kW (8,4 KM) / 3600 ot/min |
| Trvalý výkon při 3000 ot./min: | 4,6 kW (6,2 KM) |
| Trvalý výkon při 3600 ot./min: | 5,1 kW (6,8 KM) |
| Maximální točivý moment: | 19,1 Nm / 1,94 kgm / 2500 ot/min |
| Zapalování: | elektronický |
| Spuštění: | manuál |
| Kapacita palivové nádrže: | 5,3 litra |
| Spotřeba paliva: | 2,4 l/h / 3600 ot/min |
| Kapacita olejové vany: | 1,1 litru |
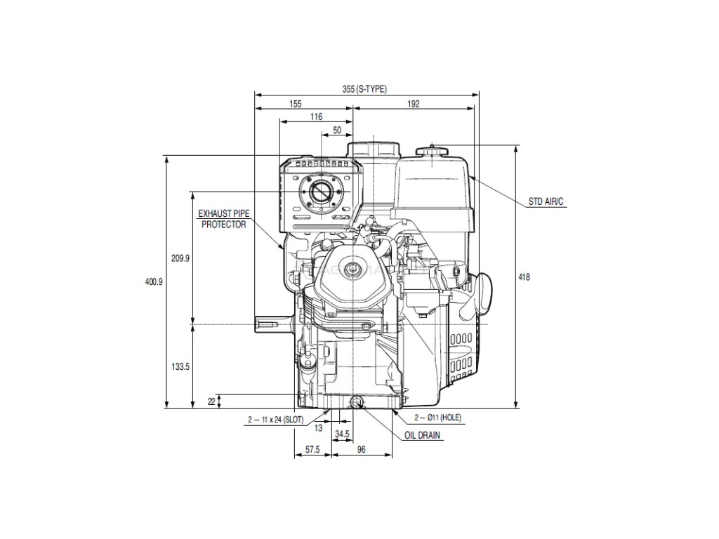
| Rozměry (D x Š x V): | 381 x 428 x 422 mm |
| Hmotnost: | 27,62 kg |
| Pracovní parametry hydraulického čerpadla: | |
| Geometrický objem: | 7,60 cm3/ot |
| Směr otáčení: | právo |
| Rozsah otáček: | 800 - 3600 (ot/min) |
| Spojení: | vnitřní závity v těle 3/8" |
| Zahrnuta: | připojení s vnějším závitem M18x1,5 |
| Doporučené parametry pro nepřetržitý provoz: |
|
| Maximální provozní parametry: | Kapacita při 3600 ot./min na spalovacím motoru: 27,4 l/min |
Doplňkové parametry
| Kategorie: | Spalovací motory |
|---|---|
| Hmotnost: | 27.67 kg |
| EAN: | 2000000520070 |
Diskuze
Buďte první, kdo napíše příspěvek k této položce.
