SMS, BMS, OMS kapacita hydromotoru: 80 cm3/ot rotace: 930 ot/min s PTO
Kód: 81.37.20.080.7Detailní popis produktu
VÝKONNÝ HYDRAULICKÝ MOTOR, TYP SMS 80
VČETNĚ VČETNĚ PTO POUZDRO
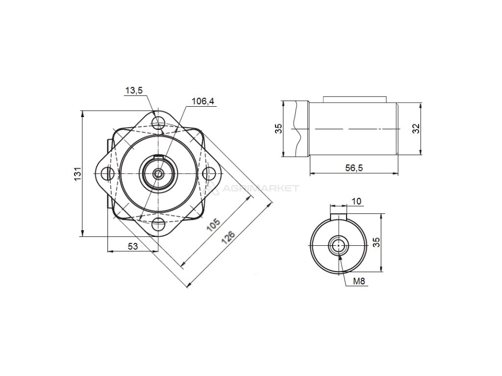
ABSORPCE: 80cm3/ot ; HŘÍDEL: 32mm ; OTÁČKY: 930 ot./min
| Symbol: | 81.37.20.080.7 |
| Výrobce dílu: | Hydrolider |
| Aplikace: | Je široce používán v hydraulických systémech v zemědělství, stavebnictví a průmyslu. Motory se stejnými rozměry v závislosti na kvalitě konstrukce, původu a výrobci jsou dostupné pod různými symboly, včetně: OMS, BMS, SMS, OMSS, OMZS a dalších. Hydromotor SMS 80 je určen především pro použití v různých typech zemědělské a průmyslové techniky. V systémech, kde je vysoký požadavek na výkon a točivý moment. DOPORUČENÁ APLIKACE:
|
| Nová generace zesíleného ložiska: | nový typ, velké zesílené kuželíkové ložisko nahrazující staré a |
| Dva pojistné a zpětné ventily: | chrání motor v obou směrech otáčení, výrazně prodlužují životnost, podporují a zlepšují účinnost hřídelových ucpávek a chrání motor při provozu v nepříznivých podmínkách. |
| Vysoce kvalitní těsnění: | umožňují provoz při vyšších tlacích a navíc chrání před |
| Pevné tělo: | vyrobeno ze speciální kovové slitiny, zajišťuje tichý chod i při velkém zatížení. Umožňuje vám pracovat za všech podmínek uvnitř i venku. Motory mají proměnný směr otáčení a lze je zapojit do série s jinými motory. |
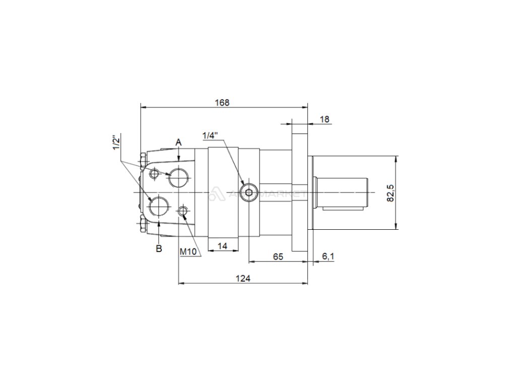
| Vnitřní závity v těle: | 1/2" |
| Materiál: | Litina |
| Vlastnosti a výhody našich motorů: |
|
| Přípustná okolní teplota: | -40°C až +80°C |
| Přípustná teplota oleje: | -15°C až +80°C |
| Typ oleje: | Hydraulický olej na bázi minerálního oleje |
| Doplňková výbava: | Objímka pro sms hřídel motoru 32mm + objímka PTO |
Doplňkové parametry
| Kategorie: | Hřídel: 32mm |
|---|---|
| Hmotnost: | 11 kg |
| EAN: | 2000000845487 |
Diskuze
Buďte první, kdo napíše příspěvek k této položce.
Originální produkt značky Hydrolider.
