Hydraulický rozvaděč s plovoucí částí ovládaný lanky k čelnímu nakladači
Kód: 81.10.33.011Detailní popis produktu
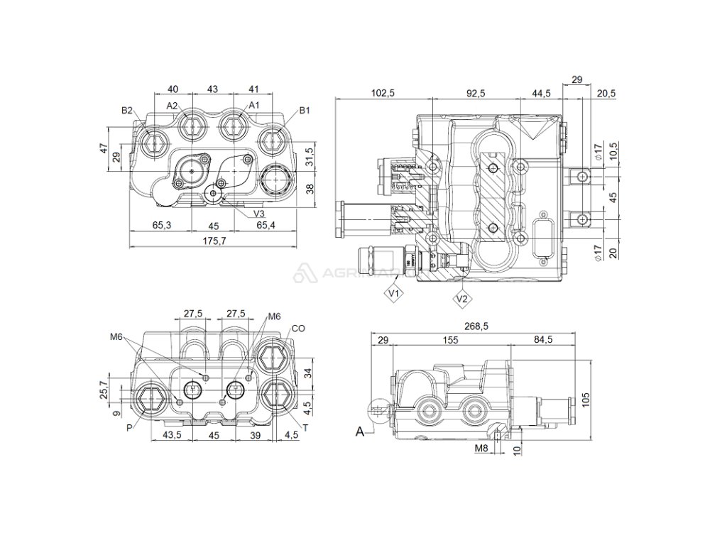
HYDRAULICKÝ ROZDĚLOVAČ VALTRA 2-SEKČNÍ
ORIGINÁL PRO ČELNÍ NAKLADAČ BEZ LS SYSTÉMU
| Symbol: | 81.10.33.011 |
| Výrobce dílů: | Hydrolider |
| Aplikace: | se používá všude tam, kde je z bezpečnostních důvodů, lepšího komfortu ovládání a nutnosti udržování čistoty požadována instalace rozdělovače mimo kabinu. V kabině zůstává pouze řídicí jednotka, například joystick. Tím je zajištěno, že nehrozí únik oleje v kabině. |
| Maximální průtok: | 80L/min |
| Doporučené ovládání hydraulického rozvaděče: | s linkami a joystickem |
| Ovládání válce: | jednostranné a oboustranné |
| Vnitřní závity v těle: |
|
| Připojení kabelů: |
|
| Maximální vstupní tlak: | 250Bar |
| Maximální vratný tlak: | 10Bar |
| Maximální tlak na sekce: | 300Bar |
| Přepadový ventil: | z výroby nastaven na 180 Bar |
| Samoregulace: | plná otáčka - 30 bar |
| Přípustná okolní teplota: | -40 C až +60 C |
| Přípustná teplota oleje: | -15 C až +80 C |
| Doporučený hydraulický olej: | na bázi minerálního oleje, např. HL 32 nebo HL 46 |
Doplňkové parametry
| Kategorie: | Pro čelní nakladače |
|---|---|
| Hmotnost: | 13.9 kg |
| EAN: | 2000000497198 |
| Položka byla vyprodána… | |
Diskuze
Buďte první, kdo napíše příspěvek k této položce.
Originální produkt značky Hydrolider.
