Hydraulický rozdělovač, 2 sekce, 45 l/min P45 Badestnost
Kód: 81.10.08.020Detailní popis produktu
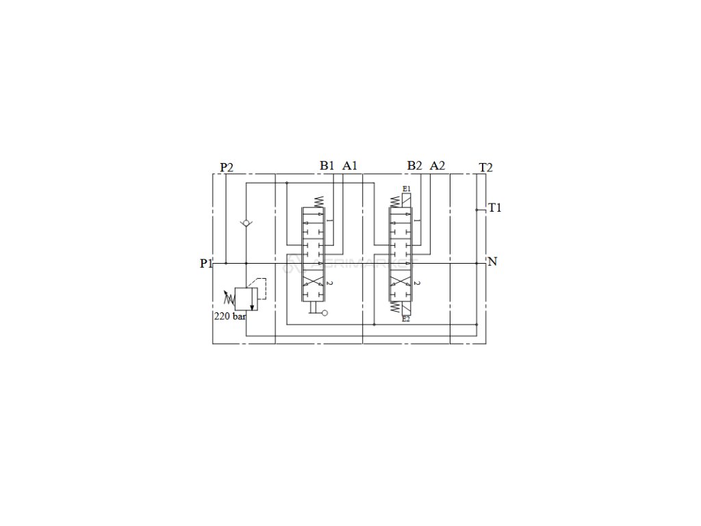
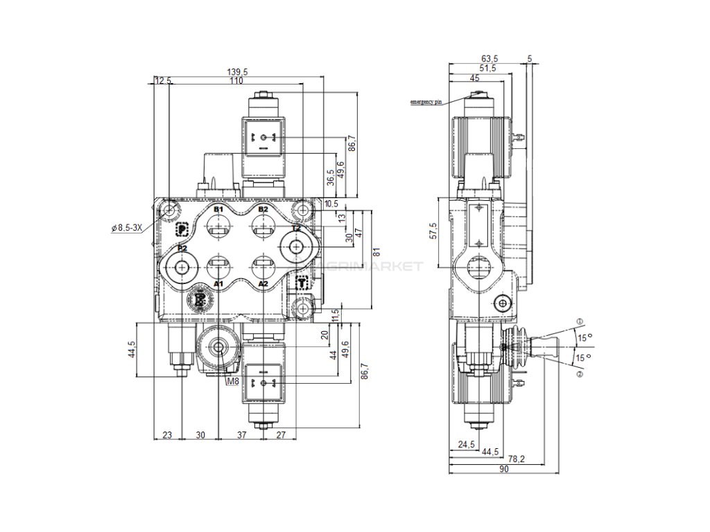
2-SEKČNÍ HYDRAULICKÝ ROZVÁDĚČ P45A1GKZ1
| Symbol: | 81.10.08.020 |
| Výrobce dílu: | Badestnost |
| Aplikace: | Je široce používán v hydraulických systémech ve stavebnictví, zemědělství a průmyslu. Rozvaděč je přizpůsoben různým typům strojů jako jsou: zemědělské stroje, traktory, postřikovače, tourery, kyklopy, nakladače HDS, stavební stroje, nakladače, bagry, zametače, průmyslové stroje a další hydraulicky ovládaná zařízení. |
| Maximální průtok: | 45 l/min |
| Řízení: | jednostranný nebo oboustranný válec |
| Počet sekcí: | 2 |
| Vnitřní závity v těle: | napájení: G 1/2'' ; návrat: G 1/2'' ; sekce: G 3/8'' |
| Maximální přívodní tlak: | 250 bar |
| Maximální zpětný tlak: | 35 bar |
| Maximální tlak na sekce: | 315 bar |
| Otevírací tlak přepouštěcího ventilu: | 160 - 315 barů |
| Ovládání pákou: |
|
| Přípustná okolní teplota: | -40 C až +60 C |
| Přípustná teplota oleje: | -20 C až +80 C |
| Doporučený hydraulický olej: | na bázi minerálního oleje, např. HL 32 nebo HL 46 |
Doplňkové parametry
| Kategorie: | Maximální průtok 45L/min |
|---|---|
| Hmotnost: | 4.5 kg |
| EAN: | 2000000443126 |
Diskuze
Buďte první, kdo napíše příspěvek k této položce.
