Hydraulický regulační ventil pro lisovací přípojky SIPMA ZP-3-00: 3/8" průtok: 40L/min max. tlak: 250bar
Kód: 81.35.54.001.1Detailní popis produktu
HYDRAULICKÝ REGULAČNÍ VENTIL PRO LIŠ SIPMA
| Symbol: | 81.35.54.001.1 |
| Výrobce dílu: | Hydrolider |
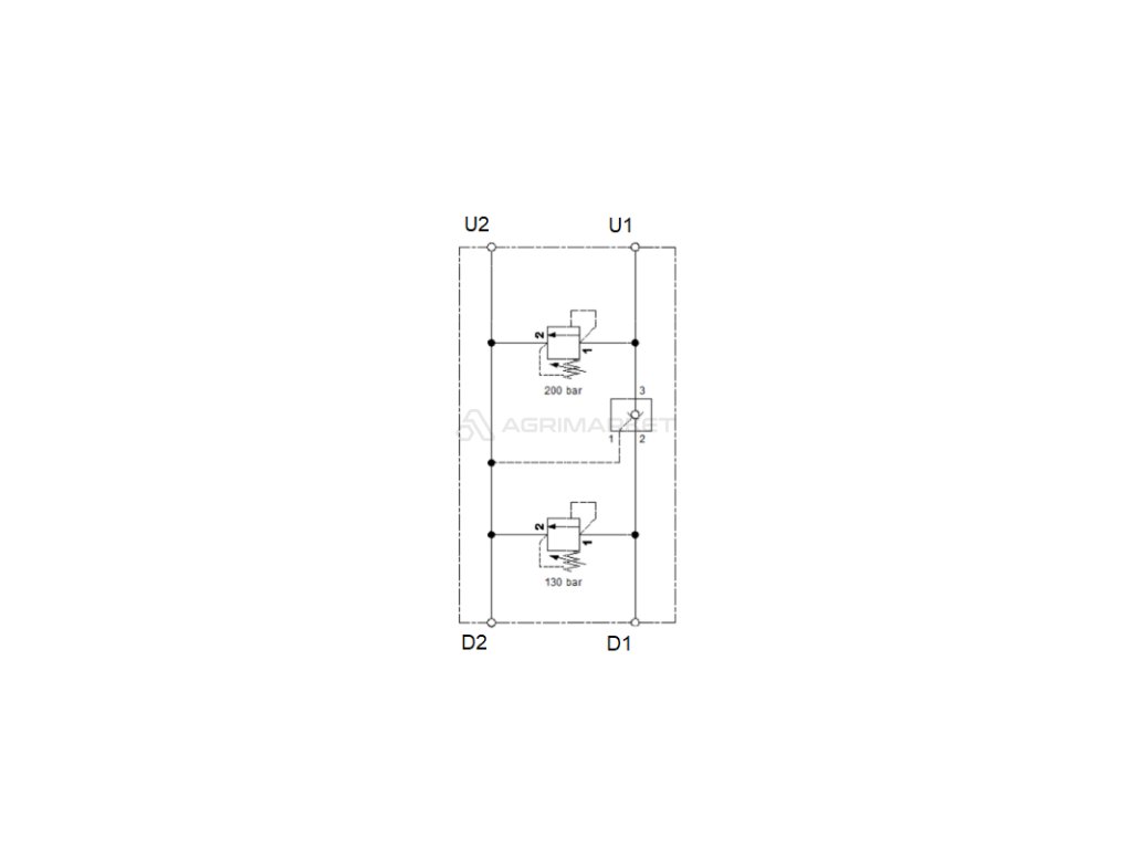
| Aplikace: | Je široce používán v hydraulických systémech v zemědělství, stavebnictví a průmyslu. Ventil má čtyři hydraulické porty, které se používají k regulaci tlaku v lisech SIPMA. Ventil umožňuje regulovat tlak v potrubí U1 a U2. Když tlak překročí nastavení pružiny, ventil otevře průtok do druhého potrubí. Hodí se mimo jiné: pro modely: Z-269, Z-270, Z-276, Z-276/1, Z-279, Z-279/1, Z-569, Z-569/1, Z-570. |
| Maximální tlak: | 250 bar |
| Maximální průtok: | 40 l/min |
| Spojení: | 3/8" |
| Materiál: | eloxovaný hliník |
| Vnitřní části: | leštěný |
| Srovnávací čísla od jiných výrobců: | 5270125100, ZP-3-00, 527012051001; BZ2006 101, 120-510 ZP-3 |
| Přípustná okolní teplota: | -20 C až +80 C |
| Přípustná teplota oleje: | -15 C až +80 C |
| Typ oleje: | hydraulický olej na bázi minerálního oleje |
Doplňkové parametry
| Kategorie: | Pro lis |
|---|---|
| EAN: | 2000000964829 |
Diskuze
Buďte první, kdo napíše příspěvek k této položce.
Originální produkt značky Hydrolider.
