Detailní popis produktu
VÝKONNÝ HYDROMOTOR SMS 315
DODÁVÁNO S OBJÍMKA HŘÍDELE
SAVOST : 315cm3/ot ; VÁLEČEK: 32mm ; OTÁČKY: 250ot./min
 |
- Vyztužené ložisko nové generace - nový typ, velké zesílené kuželíkové ložisko nahrazující staré a nouzové řešení dvěma malými ložisky. Moderní design poskytuje ještě větší schopnost přenášet boční a excentrická napětí.
- Dva vypouštěcí a zpětné ventily - chraňte motor v obou směrech otáčení, výrazně prodloužit životnost, podporovat a zlepšovat účinnost hřídelových ucpávek, chránit motor při provozu v nepříznivých podmínkách.
- Velmi kvalitní těsnění - umožňují provoz při vyšších tlacích, dodatečná ochrana proti úniku oleje a bočnímu namáhání.
- Pevné kovové tělo - vyrobeno ze speciální kovové slitiny, zajišťuje tichý chod i při velkém zatížení. Umožňuje vám pracovat za všech podmínek uvnitř i venku.
Konstrukce motorů SMS je založena na systému GEROLLER spočívajícím v použití zesílených válečkových ložisek uvnitř. Válečky poskytují největší odolnost proti přetížení a dlouhou životnost motoru. Válečkové motory se doporučují pro systémy, které pracují v drsných podmínkách, s dlouhou nepřerušovanou prací v zemědělství a průmyslu.. POZOR! Nejlevnější nabízené motory na trhu nejsou GEROLLER, nemají válečková ložiska, ale pouze tuhá pouzdra. - válečková ložiska místo plastových vložek
- mohou být zapojeny sériově i paralelně
- vysoký startovací moment a hladký chod ihned po nastartování
- vysoká odolnost vůči axiálním a radiálním silám
- jednoduchá instalace
- nízká hladina hluku
- dlouhá životnost i v náročných podmínkách použití
| |
| Výroba: | Originální produkt značky Hydrolider, symbol: 81.37.20.305.3 |
| Aplikace: | Je široce používán v hydraulických systémech v zemědělství, stavebnictví a průmyslu. Motory se stejnými rozměry, v závislosti na kvalitě konstrukce, původu a výrobci, se objevují pod různými symboly, např..: OMS, BMS, SMS, OMSS, OMZS, a jiné. Hydromotor SMS 315 je určen především pro práci v různých typech zemědělské a průmyslové techniky. V systémech, kde je vysoký požadavek na výkon a točivý moment. - Ovíječky, sklízecí řezačky, rozmetadla
- Zametací stroje, sypače, sněhové frézy
- Vykrajovátka na mrkev, řepu, cibuli a další
- Odstraňovače listí a větví
- Pohony pro dopravní pásy
- Štěpkovače a drtiče větví
- Lesnické navijáky a navijáky na vozidla
- Sadové vrtáky a vrtáky do děr v zemi
- Cestovní pohony
|
| Technická data: | - Směr otáčení: oboustranný
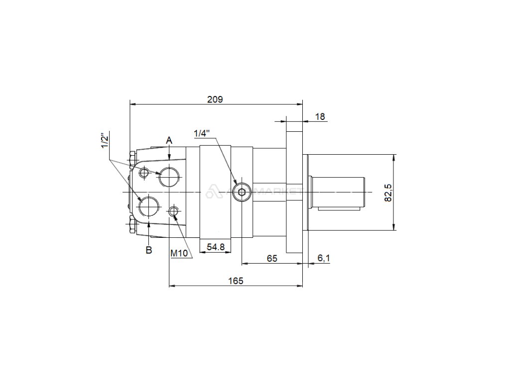
- Vnitřní závity v těle: 1/2"
- Porty: boční připojení
- Materiál těla: litina
|
| Maximální parametry v nepřetržitém provozu: | - Maximální průtok: 75 l/min
- Maximální otáčky: 250 ot./min
- Maximální tlak: 14MPa (140bar)
- Maximální výkon: 12,85 kW
- Maximální točivý moment: 560 Nm
|
| Maximální parametry v dočasném provozu max 6 sec/min: | - Maximální průtok: 115 l/min
- Maximální otáčky: 380 ot./min
- Maximální tlak: 21 MPa (210 bar)
- Maximální výkon: 14,2 kW
- Maximální točivý moment: 81 daNm (810 Nm)
|
| Druhy olejů doporučené společností AGRICOLA: | - Vzácný vysoce kvalitní olej: LOTOS AGROL BOXOL 26
- Středně hustý vysoce kvalitní olej: AGRO OIL L-HL 32
- Hustý vysoce kvalitní olej: FUCHS AGROFARM HYDRATEC HVI 46
|
| Doporučený rozsah teplot oleje: | - Přípustná okolní teplota: -40ºC až +80ºC
- Přípustná teplota oleje: -15ºC až +80ºC
|
| Doplňková výbava: | |
Diskuze
Buďte první, kdo napíše příspěvek k této položce.
Originální produkt značky Hydrolider.