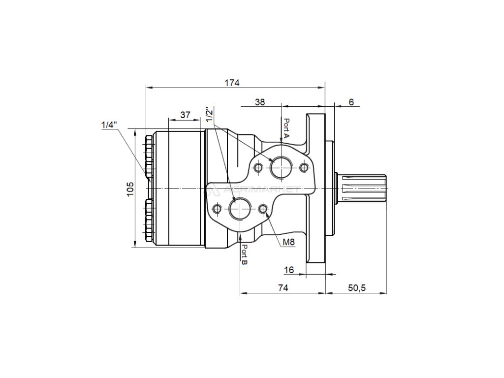
Hydraulický motor BMR absorpce: 200 cm3/otáčky: 300 ot./min s 6-ti frézovací hřídelí
Kód: 81.37.10.204Detailní popis produktu
| VLASTNOSTI A VÝHODY HYDROLIDEROVÝCH MOTORŮ BMR: | |
| ![]() |
| Konstrukce motorů BMR je založena na systému GEROLLER spočívajícím v použití zesílených válečkových ložisek uvnitř. Válečky poskytují největší odolnost proti přetížení a dlouhou životnost motoru. Válečkové motory se doporučují pro systémy, které pracují v drsných podmínkách, s dlouhou nepřerušovanou prací v zemědělství a průmyslu. POZORNOST! Nejlevnější nabízené motory na trhu nejsou GEROLLER, nemají valivá ložiska, ale pouze tuhá pouzdra.
|
|
HYDROMOTOR GEROLLER TYPU BMR 200 NASÁKAVOST: 200cc/ot ; VÁLEČEK: 6-frézovacím hřídelem ; OBRAT: 300ot./min | |
| Výroba: | Originální produkt značky Hydrolider |
| Aplikace: | Je široce používán v hydraulických systémech v zemědělství, zahradnictví, lesnictví, stavebnictví a široce chápaném průmyslu. Hydromotor BMR 200 je určen především pro práci v různých typech zemědělské a průmyslové techniky. V systémech, kde je průměrný požadavek na výkon a s průměrným průtokem oleje, chceme dosáhnout poměrně vysoké rychlosti otáčení.
|
| Technická data: |
|
| Maximální průtok v nepřetržitém provozu [l/min]: Maximální průtok při práci, okamžitý [l/min]: | 60 75 |
| Maximální rychlost otáčení v nepřetržitém provozu [ot./min]: Maximální rychlost otáčení při práci, okamžitá [ot./min]: | 300 375 |
| Maximální tlak v nepřetržitém provozu [bar]: Maximální tlak v dočasném provozu [bar]: | 120 175 |
| Maximální výkon v nepřetržitém provozu [kW]: Maximální pracovní výkon, okamžitý [kW]: | 8,2 15 |
| Maximální točivý moment v nepřetržitém provozu [Nm]: Maximální točivý moment při práci, okamžitý [Nm]: | 328 446 |
| Doporučený rozsah provozních teplot: |
|
| Doporučený typ oleje: |
|
Doplňkové parametry
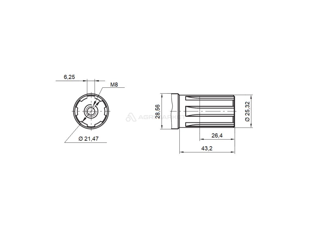
| Kategorie: | S hřídelí SAE 6B 1" |
|---|---|
| Hmotnost: | 8.56 kg |
| EAN: | 2000000345291 |
Diskuze
Buďte první, kdo napíše příspěvek k této položce.
Originální produkt značky Hydrolider.

