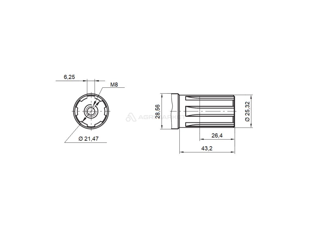
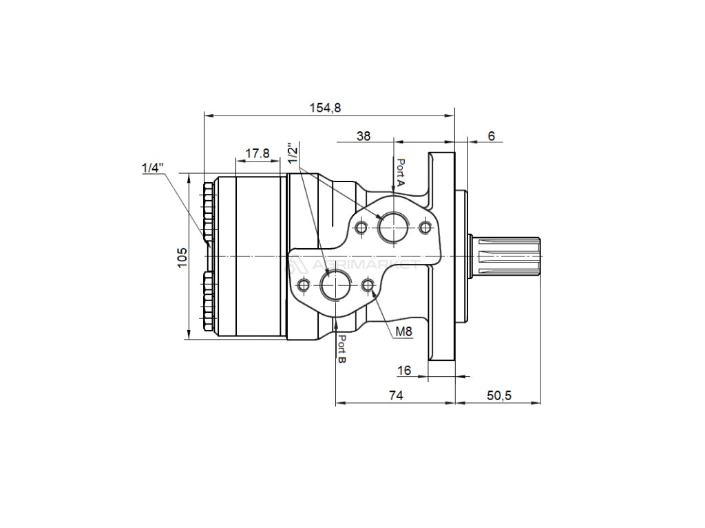
Hydraulický motor BMR absorpce: 100 cm3/otáčky: 600 ot/min s 6-frézovacím hřídelem
Kód: 81.37.10.102Detailní popis produktu
| VLASTNOSTI A VÝHODY HYDROLIDEROVÝCH MOTORŮ BMR: | |
| ![]() |
| Konstrukce motorů BMR je založena na systému GEROLLER spočívajícím v použití zesílených válečkových ložisek uvnitř. Válečky poskytují největší odolnost proti přetížení a dlouhou životnost motoru. Válečkové motory se doporučují pro systémy, které pracují v drsných podmínkách, s dlouhou nepřerušovanou prací v zemědělství a průmyslu. POZORNOST! Nejlevnější nabízené motory na trhu nejsou GEROLLER, nemají valivá ložiska, ale pouze tuhá pouzdra.
|
|
HYDROMOTOR GEROLLER TYPU BMR 100 NASÁKAVOST: 100cc/ot ; VÁLEČEK: 6-frézovacím hřídelem ; OBRAT: 600ot./min | |
| Výroba: | Originální produkt značky Hydrolider |
| Aplikace: | Je široce používán v hydraulických systémech v zemědělství, zahradnictví, lesnictví, stavebnictví a široce chápaném průmyslu. Hydromotor BMR 100 je určen především pro práci v různých typech zemědělské a průmyslové techniky. V systémech, kde je průměrný požadavek na výkon a s průměrným průtokem oleje, chceme dosáhnout poměrně vysoké rychlosti otáčení.
|
| Technická data: |
|
| Maximální průtok v nepřetržitém provozu [l/min]: Maximální průtok při práci, okamžitý [l/min]: | 60 75 |
| Maximální rychlost otáčení v nepřetržitém provozu [ot./min]: Maximální rychlost otáčení při práci, okamžitá [ot./min]: | 600 750 |
| Maximální tlak v nepřetržitém provozu [bar]: Maximální tlak v dočasném provozu [bar]: | 140 175 |
| Maximální výkon v nepřetržitém provozu [kW]: Maximální pracovní výkon, okamžitý [kW]: | 9,6 15 |
| Maximální točivý moment v nepřetržitém provozu [Nm]: Maximální točivý moment při práci, okamžitý [Nm]: | 180 220 |
| Doporučený rozsah provozních teplot: |
|
| Doporučený typ oleje: |
|
Doplňkové parametry
| Kategorie: | S hřídelí SAE 6B 1" |
|---|---|
| Hmotnost: | 7.62 kg |
| EAN: | 2000000516462 |
Diskuze
Buďte první, kdo napíše příspěvek k této položce.
Originální produkt značky Hydrolider.

