Hydraulické zubové čerpadlo, skupina 3, pravotočivé, objem: 50 cm3/ot., objem (1500 ot./min): 71,3 l/min
Kód: 81.40.10.01.052Detailní popis produktu
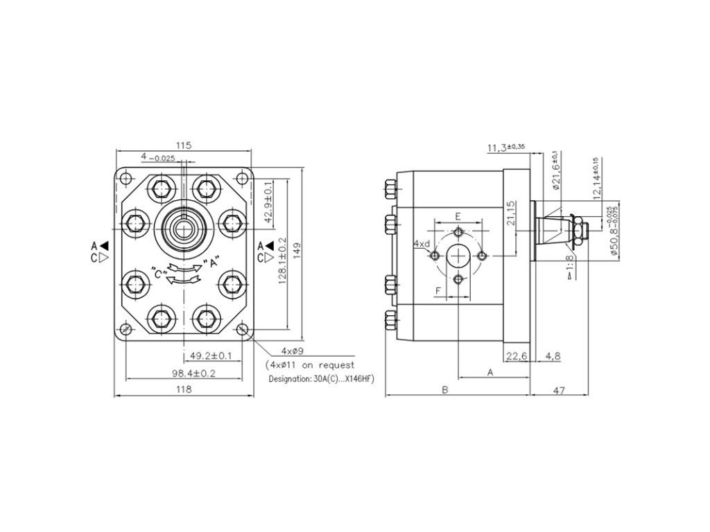
SKUPINA HYDRAULICKÉHO ČERPADLA 3, OZUBENÉ PŘEVODOVÉ ČERPADLO 50 cm3/ot.
Aplikace
Čerpadlo je určeno pro práci v systémech, kde je pracovním médiem hydraulický olej.
Velmi všestranné využití v průmyslu, zemědělství, stavebnictví, lesnictví a dalších oblastech.
V mobilních systémech, posilovačích řízení a hydraulice v traktorech, stejně jako v hydraulických systémech
papírnictví dle originálních návrhů a další.
Technické údaje
Kapacita: 71,3 l/min (při 1500 ot./min)
Geometrický objem: 50 cm3/ot.
Směr otáčení: vpravo
Rozsah otáček: 400 - 2100 (ot./min)
Jmenovitý tlak: 20 MPa
Připojení:
Sání: M19
Ražba: M19
Doplňkové parametry
| Kategorie: | Směr otáčení: pravý |
|---|---|
| Hmotnost: | 9.365 kg |
| EAN: | 2000000852058 |
Buďte první, kdo napíše příspěvek k této položce.
Přidat komentář
