Dvojité řetězové kolo 2x40 zubů 1/2" pro řetěz 08 B-2
Kód: 82.00.27.01.2.08.40Detailní popis produktu
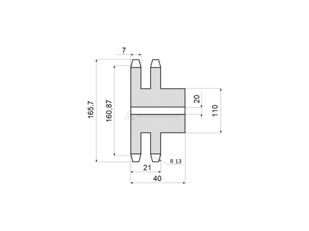
DVOJITÉ ŘETĚZOVÉ KOLO, 2x40Z 1/2" 08 B-2
| Symbol: | 82.00.27.01.2.08.40 |
| Výrobce dílu: | Hydrolider |
| Aplikace: | Univerzální dvojité ozubené kolo určené k přenosu síly ve strojích a zařízeních pomocí dvou hnacích řetězů. Tento typ převodu pohonu se vyznačuje velmi vysokou pevností a odolností. |
| Typ: | Dvojnásobek |
Velikost řetězu: | 08 B-2 |
| Rozteč řetězu: | 1/2" (12,7 mm) |
| Vnitřní šířka řetězu: | 7,75 mm |
| Průměr válečku: | 8,51 mm |
| Poloměr zubu: | 13 mm |
| Šířka zubů: | 7 mm |
| Počet zubů na jednom kole: | 40 |
Pracovní průměr (B): | 160,87 mm |
Vnější průměr (A): | 165,7 mm |
Celková šířka (C): | 40 mm |
Typ rozbočovače: | jednostranný |
Průměr náboje (E): | 110 mm |
Otvor pro náboj: | Ano |
Průměr otvoru (D): | 20 mm |
Typ otvoru: | hladký |
| Materiál: | ocel C45 |
Doplňkové parametry
| Kategorie: | 08B2 - (R1 1/2) |
|---|---|
| Hmotnost: | 4.4 kg |
| EAN: | 2000000547237 |
Diskuze
Buďte první, kdo napíše příspěvek k této položce.
Originální produkt značky Hydrolider.
