Dvojité řetězové kolo 2x10 zubů 5/8" pro řetěz 10 B-2
Kód: 82.00.27.01.2.10.10Detailní popis produktu
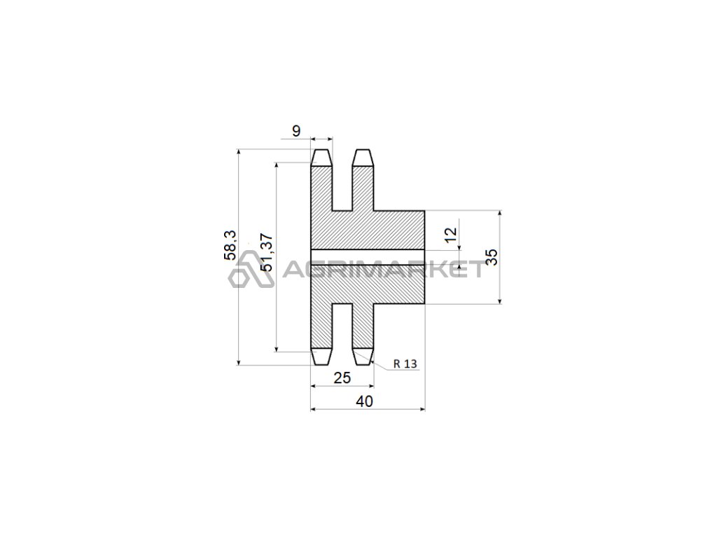
DVOJITÉ ŘETĚZOVÉ KOLO 10Z 5/8" 10 B-2
| Symbol: | 82.00.27.01.2.10.10 |
| Výrobce dílu: | Hydrolider |
| Aplikace: | Univerzální dvojité ozubené kolo určené k přenosu síly ve strojích a zařízeních pomocí dvou hnacích řetězů. Tento typ převodu pohonu se vyznačuje velmi vysokou pevností a odolností. |
| Typ kola: | Dvojnásobek |
Velikost řetězu (typ): | 10 B-2 |
| Vnitřní šířka řetězu: | 7,75 mm |
| Šířka válečku: | 8,51 mm |
| Poloměr zubu: | 13 mm |
| Šířka zubů: | 11 mm |
| Počet zubů na jednom kole: | 10 |
Pracovní průměr (B): | 51,37 mm |
Vnější průměr (A): | 58,3 mm |
Celková šířka (C): | 40 mm |
Typ rozbočovače: | jednostranný |
Průměr náboje (E): | 35 mm |
Otvor pro náboj: | Ne |
Průměr otvoru (D): | 12 mm |
Typ otvoru: | hladký |
| Materiál: | stáj C45 |
Doplňkové parametry
| Kategorie: | 10B2 - (R1 5/8) |
|---|---|
| Hmotnost: | 0.372 kg |
| EAN: | 2000000547244 |
Diskuze
Buďte první, kdo napíše příspěvek k této položce.
Originální produkt značky Hydrolider.
