6-sekční hydraulický rozdělovač 10 l/min P40 s přípojkami 16/14 Hydrolider
Kód: 81.10.01.060.1614Detailní popis produktu
6-SEKČNÍ HYDRAULICKÝ ROZVÁDĚČ P40A1A1A1A1A1A1A1GKZ1
SE SADA PŘIPOJENÍ S VÝSTUPEM M16x1,5 a M14x1,5
| Symbol: | 81.10.01.060.1614 |
| Výrobce dílu: | Hydrolider |
| Aplikace: | Určeno pro ovládání jednostranného nebo oboustranného válce. Má tlakový výstup N potřebný pro sériové připojení nebo pro instalaci rozdělovače jako dalšího do stávajícího systému. Rozvaděč je určen pro různé typy strojů jako jsou: zemědělské stroje, traktory, postřikovače, tourery, kyklopy, nakladače HDS, stavební stroje, nakladače, bagry, zametače, průmyslové stroje a další hydraulicky ovládaná zařízení. |
| Maximální průtok: | 10 l/min |
| Řízení: | jednostranný nebo oboustranný válec |
| Počet sekcí: | 6 |
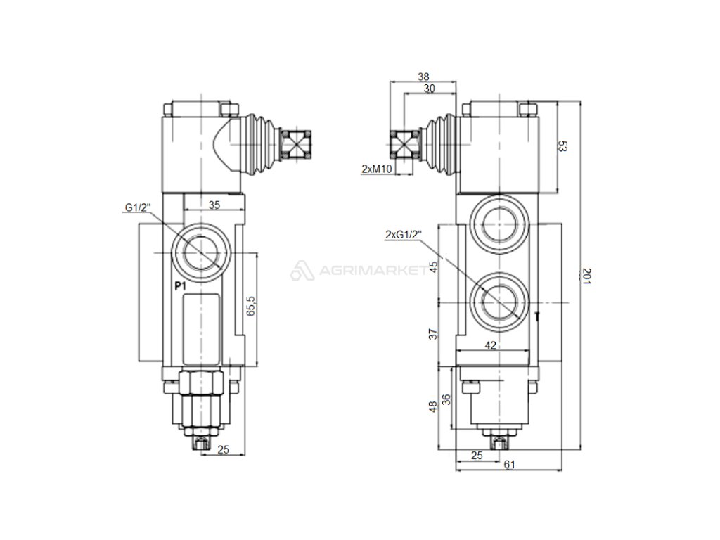
| Vnitřní závity v těle: | napájení: G 1/2'' ; návrat: G 1/2'' ; sekce: G 3/8'' |
| Připojovací sada a připojení hadice: | Všechny spoje nabízené v sadě mají těsnění NBR, které zajišťuje těsné spojení s rozdělovačem. Na straně hydraulického vedení mají přípojky 24° hrdlo přizpůsobené hadicím s koncovkami DKOL, DKOL-90, DKOL-45 s typickým upínacím kuželem 24°. Spojení s hadicemi nevyžaduje dodatečné těsnění.
|
| Maximální přívodní tlak: | 315 bar |
| Maximální zpětný tlak: | 50 bar |
| Maximální tlak na sekce: | 300 bar |
| Ovládání pákou: |
|
| Přepouštěcí ventil: | Otevírací tlak přepouštěcího ventilu se zvyšuje úměrně s rostoucím průtokem:
Sady pro přesné měření tlaku naleznete v sekci Manometry - měřicí sady. Před spuštěním se doporučuje zkontrolovat a nastavit vhodný tlak. Možnost samočinného nastavení, změna plné otáčky o 30 bar. |
| Přípustná okolní teplota: | -40 C až +60 C |
| Přípustná teplota oleje: | -15 C až +80 C |
| Doporučený hydraulický olej: | na bázi minerálního oleje, např. HL 32 nebo HL 46 |
Doplňkové parametry
| Kategorie: | Maximální průtok 40L/min |
|---|---|
| Hmotnost: | 11.905 kg |
| EAN: | 2000000763415 |
Diskuze
Buďte první, kdo napíše příspěvek k této položce.
Originální produkt značky Hydrolider.
