4sekce hydraulick sada 80L/min: Joystick 2 tlačítka + 2x Kabel 1m + 2sekce rozvaděč 80L s jednou plovoucí sekcí + 2x Solenoidově ventil
Kód: 81.25.35.004.11Detailní popis produktu
4-SEKČNÍ HYDRAULICKÁ SADA PRO NAKLADAČ
JOYSTICK 2 TLAČÍTKA + 2X 1M KABEL
+ 2S ROZDĚLOVAČ 80L S JEDNOU PLOVOUCÍ ČÁSTÍ
+ 2X SOLENOIDOVÝ VENTIL 6/2 PRO 3 A 4 SEKCE (CHÁPADLO, KROKOSVORKA)
| Symbol: | 81.25.35.004.11 |
| Výrobce dílů: | Badestnost |
| Aplikace: | Uzpůsobeno pro traktory a stroje s otevřeným hydraulickým systémem. Otevřený systém se vyznačuje tím, že při nastartování motoru se aktivuje hydraulické čerpadlo a hydraulický rozdělovač, když se nepoužívá, volně proudí olej z čerpadla směrem k nádrži. Čerpadlo běží volně a olej cirkuluje mezi čerpadlem rozdělovače a nádrží pod nízkým tlakem. |
Technické parametry lana: |
|
| Délka řádků: | 1m |
| Závity na straně rozdělovače: |
těleso lanka M16x1,5, tah lanka M6x1 |
| Průměr kuličky na straně joysticku: |
14mm |
| Vyrobeno v Polsku pro: |
Hydrolider Polska |
Technické parametry rozdělovače: |
|
| Vnitřní závity v těle: |
napájení: 1/2''; zadní strana: 3/4''; sekce: 1/2'' |
| Spojení linek: |
Vnitřní závit trubky: M16x1,5 |
| Maximální vstupní tlak: |
250Bar |
| Maximální zpětný tlak: |
50Bar |
| Maximální tlak na sekce: |
300Bar |
| Tovární nastavení přepouštěcího ventilu: |
Otevírací tlak přepouštěcího ventilu se zvyšuje úměrně s rostoucím průtokem: 180 bar při 20 l/min Sady pro přesné měření tlaku naleznete v sekci Manometry - měřicí sady |
| Samoregulace možná: | změna plné otáčky o 30 barů |
| Přípustná okolní teplota: | -40 C až +60 C |
| Přípustná teplota oleje: | -15 C až +80 C |
| Doporučený hydraulický olej: | na bázi minerálního oleje, např. HL 32 nebo HL 46 |
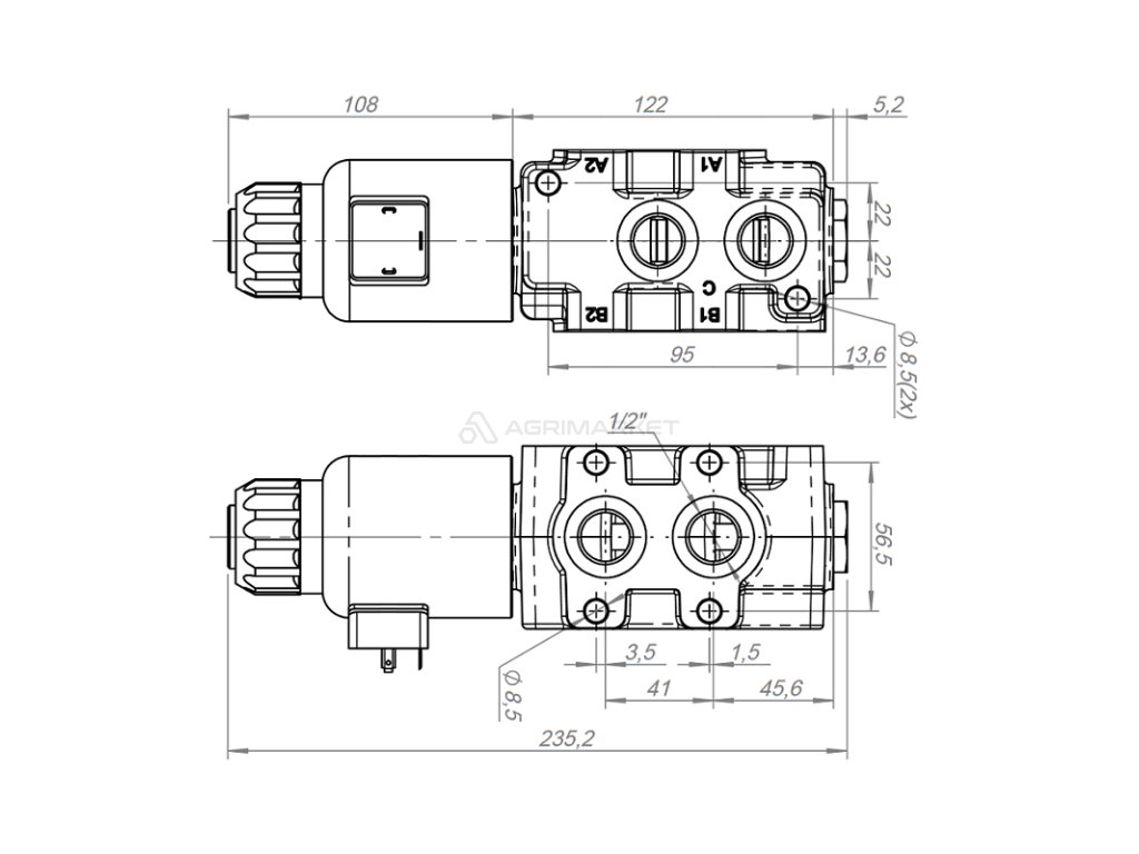
Technické parametry elektromagnetického ventilu: |
|
| Maximální průtok: | 90L/min |
| Vnitřní závity v těle: |
BSP 1/2" |
| Maximální tlak: |
210bar |
Doplňkové parametry
| Kategorie: | Maximální průtok 80L/min |
|---|---|
| Hmotnost: | 18.006 kg |
| EAN: | 2000000452210 |
Diskuze
Buďte první, kdo napíše příspěvek k této položce.
