3polohově elektromagnetickě ventil CETOP 5 NG10 230V (G) Hydrolider
Kód: 22325Detailní popis produktu
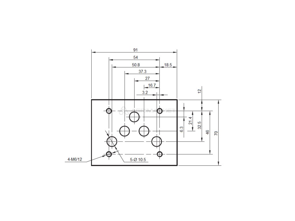
HYDRAULICKÝ DESKOVÝ ROZDĚLOVAČ TYP CETOP 5 NG10
ELEKTRICKY OVLÁDANÝ 230V 3POLOHOVÝ POSUVNÍK
| Symbol: | 81.10.69.104.230 |
| Výrobce dílů: | Hydrolider |
| aplikace: | rozdělovače pro montáž na připojovací desku, slouží k ovládání směru toku oleje, výsledkem je definovaný pohyb nebo zastavení přijímače, např. pohonu nebo hydromotoru |
| Maximální proudění: |
120L/min |
| Maximální tlak: |
315bar |
| Napětí: |
230V DC |
| Doporučuje se filtrace oleje: |
10 - 15 µ |
| Přípustná okolní teplota: |
-40 C do +60 C |
| Přípustná teplota oleje: |
-15 C do +80 C |
| Doporučený hydraulický olej: |
na bázi minerálního oleje, např. HL 32 nebo HL 46 |
Doplňkové parametry
| Kategorie: | Značka Hydrolider |
|---|---|
| Hmotnost: | 5.23 kg |
| EAN: | 2000000363387 |
Diskuze
Buďte první, kdo napíše příspěvek k této položce.
