2sekce hydraulick sada: 120L rozvaděč + joystick s jedním tlačítkem + dva 2,5m kabely
Kód: 81.25.26.002.4Detailní popis produktu
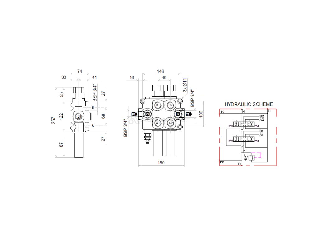
2-SEKČNÍ HYDRAULICKÁ SADA PRO NAKLADAČ
JEDNOTLAČÍTKOVÝ JOYSTICK + 2X 2,5M KABEL + 120L 2DÍLNÝ ROZDĚLOVAČ
| Aplikace: |
Vhodné pro traktory a stroje s otevřeným hydraulickým systémem. Otevřený systém se vyznačuje tím, že při nastartování motoru se aktivuje hydraulické čerpadlo a hydraulický rozdělovač, když se nepoužívá, volně proudí olej z čerpadla směrem k nádrži. Čerpadlo pracuje volně a olej cirkuluje mezi čerpadlem rozdělovače a nádrží pod nízkým tlakem. Sada je přizpůsobena různým typům strojů jako jsou: zemědělské stroje, traktory, postřikovače, rounds, kyklopy, nakladače HDS, stavební stroje, nakladače, bagry, zametače, průmyslové stroje a další hydraulicky ovládaná zařízení. Ideální pro ovládání dvou sekcí v zatáčce, zvedání rámu a naklánění lopaty u traktorů, kde kapacita hydraulického čerpadla nepřesahuje 120 l/min. |
| Výhody: |
Joystickové ovládání přináší mnoho výhod, díky kterým je práce rychlejší, příjemnější a bezpečnější. Joystick je především pohodlnější, pohodlnější a přesnější ovládání stroje. Instalací joysticku do kabiny a vyhozením rozdělovače ven je kabina čistá a bez úniku oleje. |
|
|
|
| Spojovací systém: |
Vidlice fi 6mm |
| Počet tlačítek: | jedno |
| Zámek rukojeti: | ano |
| Výrobce dílů: | Indemar |
Technické parametry linku: |
|
| Délka řádku: |
2,5m |
| Boční závity potrubí: | těleso lanka M16x1,5, tah lanka M6x1 |
| Koncová vidlice joysticku s otvorem pro čep: |
6mm |
| Výroba: |
Hydrolider |
Technické parametry rozvaděče: |
|
| Vnitřní závity v těle: |
napájení: 3/4''; návrat: 3/4''; sekce: 3/4'' |
| Připojení k linkám: | Vnitřní závit trubky: M16x1,5 Vnitřní závit jezdce: M6x1 |
| Maximální přívodní tlak: |
250Bar |
| Maximální zpětný tlak: |
25Bar |
| Maximální tlak na sekce: | 300Bar |
| Tovární nastavení přepouštěcího ventilu: |
175Bar |
| Možnost vlastního nastavení: | změna plné otáčky o 30 barů |
| Přípustná okolní teplota: | -40 C až +60 C |
| Přípustná teplota oleje: |
-15 C až +80 C |
| Doporučený hydraulický olej: |
na bázi minerálního oleje, např. HL 32 nebo HL 46 |
| Výrobce dílů: | Galtech |
Doplňkové parametry
| Kategorie: | Maximální průtok 120L/min |
|---|---|
| Hmotnost: | 11.188 kg |
| EAN: | 2000000449500 |
Diskuze
Buďte první, kdo napíše příspěvek k této položce.
